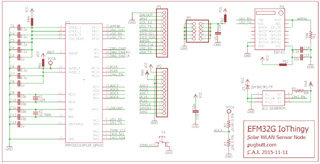
Solar IoThingy
Features:
- WLAN Node
- Sensors
- Low Power
- Solar Charged
- 80mm x 45mm x 40mm
- UNC 1/4-20 - Camera-style mount
- Long service life
Base hardware:
- Microcontroller: EFM32G210F128 (ultra low power, ARM Cortex M3)
- Battery: Single-cell LiFePO4 (long cycle-life, especially since kept half full)
- Solar: 4.5V 85mA (Trickle charge, enabled by MCU as needed, roughly once per week)
- WLAN: ESP-07 module, based on the ESP8266 S.O.C.
Options:
- Bosch BME-280 Temperature/Pressure/Humitidy sensor
- Panasonic EKMB1303112 - Infrared motion sensor, 12m range
- Linear LTC2942CDCB - Battery gas gauge